关于常外新校区室内空气质量检测的公告
发布时间:2016-02-06
点击:
来源:本站原创
录入者:常州外国语学校
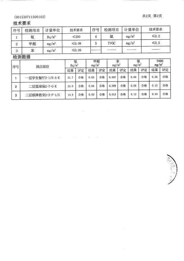
我校新校区教学实验楼、图书行政楼、艺术楼、宿舍楼均于2014年11月份竣前验收,食堂体育馆于2015年5月份竣前验收,为了确保全体师生的健康安全,我校委托常州市建筑科学研究院按照国家规定点数于2015年7月16、17日对我校室内空气质量进行检测,检测位置均由检测单位自定,所有检测结果均符合国家标准,现将检测结果告知如下:












附件:
|
|